差分晶振的输出方式有哪几种呢
差分晶体振荡器(Differential Crystal Oscillator)也简称“差分晶振”
它通过两个输出端子输出两个相位相反的信号(起到抗干扰能力)。差分晶振通过差分信号输出,在抗干扰、信号完整性、EMI抑制等方面有显著优势,能够提供更稳定、更高速性能的时钟信号。
因此差分晶振通常用于高速通信系统、光模块、高速串行接口(如PCIe、USB 3.x)等场景。
差分晶振输出方式有5种:LVPECL、LVDS、CML、HCSL、LPHCSL。
1、LVPECL模式:LVPECL(Low Voltage Positive Emitter-Couple Logic)是主要的差分输出之一。它通过避免晶体管饱和,实现更快的开关速度,并配备恒定电流源驱动器。由于大电压摆动(通常为600-1000mV),LVPECL具有卓越的抖动性能,从而输出低噪声信号,适用于PON、显卡、光模块、智能网卡等。

LVPECL差分晶振输出方式及输出波形
2、LVDS模式:LVDS(Low Voltage Differential Signaling)可同时提供低功耗和低电磁干扰(EMI)组合。由于电压摆幅较小(通常为350mV),相比LVPECL差分输出模式功耗更低,负载阻抗为100Ω的差分线上的电流一般不超过4mA,使其不易受噪声影响,在音视频处理器、服务器、路由器和交换机等应用中非常重要。

LVDS差分晶振输出方式及输出波形
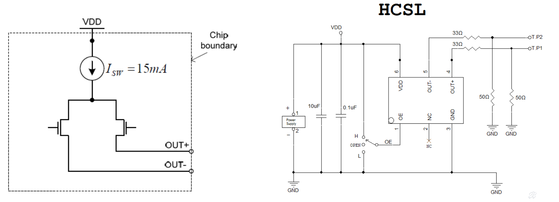
3、HCSL模式:HCSL(High-speed Current Steering Logic)是一种高速差分信号,通常在较低的电压水平工作。它始于90年代末,用于高速串行计算机扩展总线标准(如PCI Express)参考时钟。HCSL的特点包括极低的抖动和功耗,广泛应用于系统内部的高速串行通信、时钟分配和数据通路等对速度、功耗、性能要求高的场景。

HCSL差分晶振输出方式及输出波形
4、CML模式:CML(Current Mode Logic)特点:电流源输出、无需外部电阻(内置匹配)、高速低功耗。通常应用在光模块、高速串行链路(如10G/25G以太网)。

CML差分晶振输出方式及输出波形
5、LPHCSL:(Low Power High Current Source Logic,低功耗高电流源逻辑)LPHCSL差分晶振是一种特殊的差分输出晶振,它结合了低功耗和高电流驱动能力的特点,这种输出方式通常用于需要高驱动能力但又对功耗敏感的应用场景。LPHCSL输出电压摆幅较大,驱动能力更强,功耗更低,适合需要高驱动能力的场景,例如(PCIe Gen4/5、USB 3.x、高速SerDes、数据中心)等。
LPHCSL具有优越的高温稳定性,操作温度范围为-40°C至+105°C,适用于要求严格的环境下,频率稳定性及线路图如下图所示。

YXC差分晶体振荡器选型表
其中YSO211PJ可编程差分晶振,宽频率范围(150~2100MHZ),支持LVPECL、PECL、HCSL、CML输出信号类型。可编程频率精度达小数点后6位,确保发挥系统高性能。

文章版权归西部工控xbgk所有,未经许可不得转载。












服务咨询