技术频道

解决方案

  • 压控温补晶振可以直接替代温补晶振吗

    压控温补晶振可以直接替代温补晶振吗

    压控温补晶振(VC-TCXO)在某些情况下可以替代温补晶振(TCXO),但需根据具体应用需求决定。以下是关键因素分析:

    2025-08-25 15:48:27
  • 晶振行业必备术语手册:工程师必收藏(下)

    晶振行业必备术语手册:工程师必收藏(下)

    C0是一个静态电容,无论晶体是否工作都存在,C0的值可以在很低的频率(小于或约1.0MHz)测得,计算公式如下,其中A为电极面积,d为切片厚度,e为相应晶体切片的介电常数。在实际应用中,C0不仅包括电镀石英裸片的静态电容,还包括导电结合材料的电容和封装外壳本身的电容。

    2025-08-19 15:01:17

    晶振

  • 晶振行业必备术语手册:工程师必收藏(上)

    晶振行业必备术语手册:工程师必收藏(上)

    在电子电路设计中,晶振的每一项参数都与产品命运息息相关——哪怕只差0.1ppm,也可能让整板“翻车”。看似最基础的术语,正是硬件工程师每天必须跨越的隐形门槛。

    2025-08-15 14:48:15

    晶振

  • 3点区分TCXO温补晶振与OCXO恒温晶振

    3点区分TCXO温补晶振与OCXO恒温晶振

    一般的恒温晶振要比温补晶振频率稳定度高两个数量级以上。例如,温补晶振(TCXO)的频率稳定度通常在 10−6 到 10−7 之间,而恒温晶振(OCXO)可以达到 10−8 到 10−10 甚至更高。因此恒温晶振一般用于高端测量仪器,如频率计、信号发生器、网络分析仪等,而温补晶振的开机特性更好。恒温晶振由于需要一个预热过程,其频率稳定度需要数分钟才能达到标称指标,而达到其最佳的长期稳定性则需要更长的运行时间。因此,对于需要即时工作的设备,恒温晶振不太适用。

    2025-08-13 11:31:37
  • 无源晶振8m和24m通用吗

    无源晶振8m和24m通用吗

    无源晶振8MHz和24MHz一般情况下不通用,这是由它们在电路中的作用以及电路对频率的要求决定的

    2025-07-22 15:51:14
  • 技术知识:评估晶振的稳定度,就看这5大指标

    技术知识:评估晶振的稳定度,就看这5大指标

    晶振是电子系统时序的基准,一旦不稳定,容易引发通信丢包、数据错误、时序混乱,甚至整机宕机,带来严重后果。

    2025-07-18 09:16:53

    晶振

  • 压控晶振如何控制频率

    压控晶振如何控制频率

    压控晶振通过外加电压控制变容二极管的电容值,进而调节谐振回路的谐振频率,实现频率的精确控制。

    2025-07-18 09:12:01
  • 可编程晶振怎么改变频率

    可编程晶振怎么改变频率

    可编程晶振并不是通过物理方式改变石英晶体本身的振动频率(那是VCXO的原理),而是通过复杂的数字频率合成技术,将固定晶体频率“转换”成用户所需的任意目标频率。

    2025-07-11 15:42:01
  • 如何判断晶振是否起振

    如何判断晶振是否起振

    晶振是电路中必不可少的电子元器件,主要有无线数据传输和计时两种用途。随着国内5G、新能源产业的迅速发展,国内晶振需求量快速增长,国内厂商正奋力追赶,加快国产替代进程。

    2025-06-30 14:13:01
  • 差分晶振和无源晶振有什么区别

    差分晶振和无源晶振有什么区别

    差分晶振通过使用两种相位彼此完全相反的信号,从而消除了共模噪声,实现一个更高性能的系统。无源晶振本质是一个被动元件,依赖外部电路(如MCU内部的振荡器)驱动才能起振。需匹配负载电容和电阻才能稳定工作。

    2025-06-27 15:28:57
  • 晶振是什么、有什么用、用在哪里

    晶振是什么、有什么用、用在哪里

    晶振的作用就是为系统提供基本的时钟信号。通常一个系统共用一个晶振,便于各部分保持同步。有些通讯系统的基频和射频使用不同的晶振,而通过电子调整频率的方法保持同步。

    2025-06-25 17:55:28

    晶振 有源晶振 温补晶振

  • vcxo晶振与tcxo晶振的差别

    vcxo晶振与tcxo晶振的差别

    在许多应用中,我们可以通过微控制器的DAC功能来控制VCXO的偏压,调整VCXO的输出频率。

    2025-06-20 15:44:34
  • 晶振起振靠的是什么呢

    晶振起振靠的是什么呢

    简单来说,晶振起振的原动力是——电,我们需要把一个晶振放在完整的电路中,并给电路供上电,产生回路电流,晶振自此开始稳定有节奏的“跳动”。

    2025-06-18 16:56:56
  • 技术分享:振荡器动态相位噪声优化的4步实操指南

    技术分享:振荡器动态相位噪声优化的4步实操指南

    加速度灵敏度是晶体振荡器对任何方向施加的外力的固有灵敏度。石英振荡器确实提供了我们所有人每天都依赖的电子设备的心跳。

    2025-05-30 14:36:08
  • 晶振在PCB板上如何布局

    晶振在PCB板上如何布局

    事实上,晶振的作用就像一个串联的RLC电路。晶振的等效电路显示了一个串联的RLC电路,表示晶振的机械振动,与一个电容并联表示与晶振的电气连接,而晶振振荡器便朝着串联谐振运行工作。

    2025-05-26 16:01:57

    可编程晶振

  • CMOS有源晶振电压详解

    CMOS有源晶振电压详解

    普通万用表的交流电压档通常仅支持低频(如50Hz~1kHz),而有源晶振的频率通常在MHz级别(如8MHz、16MHz、25MHz等)。高频信号会导致万用表测量值严重偏低甚至完全失效。

    2025-05-23 11:03:17
  • 晶振国产替代的5大优势

    晶振国产替代的5大优势

    扬兴科技凭借30多年的行业经验和市场积累,始终保持着对市场的敏锐洞察力。公司不断加大研发投入,优化产品结构,提升产品质量和服务水平,满足市场对高性能、高可靠性晶振产品的需求。

    2025-05-21 17:01:37
  • 振荡电路不起振原因分析

    振荡电路不起振原因分析

    晶振电路本质上是一个交流振荡电路。当晶振未起振时,两端会静止在一个中间电位,通常接近电源电压的一半。万用表测得的是稳定的直流电压,因此没有压差。这种情况一般是:晶振没起振,并不是短路。

    2025-05-19 17:18:13

    晶振

  • 如何测量晶振的好坏

    如何测量晶振的好坏

    晶振辨别方法总体为两种:第一种是肉眼识别法(晶振外观识别、印字标识识别、晶振包装风格);第二种是万用表检测法;

    2025-04-25 15:38:54
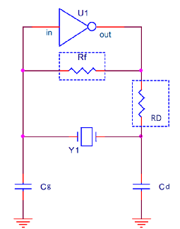
  • 晶振的两种电阻作用:反馈电阻与限流电阻

    晶振的两种电阻作用:反馈电阻与限流电阻

    在晶体的振荡电路中一般会设计两个电阻,一个是跨接在晶振两端,叫做反馈电阻Rf;一个接在IC的输出端,叫做限流电阻RD;同晶体相连旁接的电容称之为负载匹配电容,通过调整容值的大小可以改变振荡电路的频率,而这些波形频率测试就可以观察的到。

    2025-04-22 16:26:55